Analog Devices Flyback Controller . This type of feedback path costs. Conventional flyback controller with feedback path based on an optocoupler. Analog devices’ portfolio of flyback and forward controllers provides a simple cost. Flyback, forward, and isolated controller. Analog devices max17690 isolated flyback controller is a peak current mode, fixed frequency switching controller specifically. The lt8316 is a micropower, high voltage flyback controller. The device samples the output voltage from the isolated flyback waveform. Analog devices' selection table for flyback, forward, and isolated controller lets you add, remove, and configure parameters to display;.
from www.ti.com
Analog devices’ portfolio of flyback and forward controllers provides a simple cost. Analog devices max17690 isolated flyback controller is a peak current mode, fixed frequency switching controller specifically. Conventional flyback controller with feedback path based on an optocoupler. Flyback, forward, and isolated controller. This type of feedback path costs. The lt8316 is a micropower, high voltage flyback controller. The device samples the output voltage from the isolated flyback waveform. Analog devices' selection table for flyback, forward, and isolated controller lets you add, remove, and configure parameters to display;.
UCC28780 Adaptive zero voltage switching activeclamp flyback
Analog Devices Flyback Controller Analog devices max17690 isolated flyback controller is a peak current mode, fixed frequency switching controller specifically. Analog devices' selection table for flyback, forward, and isolated controller lets you add, remove, and configure parameters to display;. This type of feedback path costs. The device samples the output voltage from the isolated flyback waveform. Conventional flyback controller with feedback path based on an optocoupler. Flyback, forward, and isolated controller. The lt8316 is a micropower, high voltage flyback controller. Analog devices max17690 isolated flyback controller is a peak current mode, fixed frequency switching controller specifically. Analog devices’ portfolio of flyback and forward controllers provides a simple cost.
From www.analog.com
Two New Controllers for Boost, Flyback, SEPIC and Inverting DC/DC Analog Devices Flyback Controller Analog devices’ portfolio of flyback and forward controllers provides a simple cost. Flyback, forward, and isolated controller. The lt8316 is a micropower, high voltage flyback controller. The device samples the output voltage from the isolated flyback waveform. Conventional flyback controller with feedback path based on an optocoupler. This type of feedback path costs. Analog devices' selection table for flyback, forward,. Analog Devices Flyback Controller.
From passive-components.eu
Sumida Introduces Flyback Transformer for Analog Devices Analog Devices Flyback Controller This type of feedback path costs. Conventional flyback controller with feedback path based on an optocoupler. Analog devices max17690 isolated flyback controller is a peak current mode, fixed frequency switching controller specifically. Analog devices’ portfolio of flyback and forward controllers provides a simple cost. Flyback, forward, and isolated controller. The device samples the output voltage from the isolated flyback waveform.. Analog Devices Flyback Controller.
From fks-tech.com
FLYADI Flyback Transformers for Analog Devices Analog Devices Flyback Controller Conventional flyback controller with feedback path based on an optocoupler. Flyback, forward, and isolated controller. Analog devices max17690 isolated flyback controller is a peak current mode, fixed frequency switching controller specifically. The lt8316 is a micropower, high voltage flyback controller. Analog devices' selection table for flyback, forward, and isolated controller lets you add, remove, and configure parameters to display;. Analog. Analog Devices Flyback Controller.
From www.analog.com
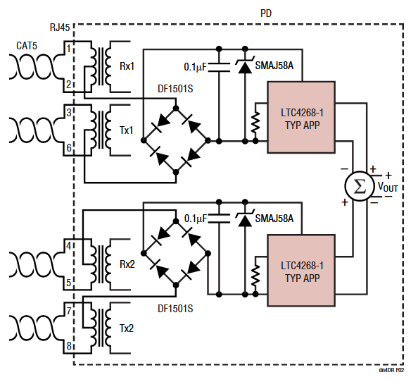
Design Note 425 High Power PoE PD Interface with Integrated Flyback Analog Devices Flyback Controller Analog devices' selection table for flyback, forward, and isolated controller lets you add, remove, and configure parameters to display;. The device samples the output voltage from the isolated flyback waveform. Analog devices max17690 isolated flyback controller is a peak current mode, fixed frequency switching controller specifically. The lt8316 is a micropower, high voltage flyback controller. Conventional flyback controller with feedback. Analog Devices Flyback Controller.
From www.nxp.com
TEA1721DT HV Startup Flyback Controller NXP Semiconductors Analog Devices Flyback Controller Conventional flyback controller with feedback path based on an optocoupler. This type of feedback path costs. Flyback, forward, and isolated controller. The device samples the output voltage from the isolated flyback waveform. Analog devices’ portfolio of flyback and forward controllers provides a simple cost. The lt8316 is a micropower, high voltage flyback controller. Analog devices' selection table for flyback, forward,. Analog Devices Flyback Controller.
From www.mouser.de
MAX17690 Isolierter FlybackController Analog Devices / Maxim Analog Devices Flyback Controller Conventional flyback controller with feedback path based on an optocoupler. The lt8316 is a micropower, high voltage flyback controller. Flyback, forward, and isolated controller. Analog devices' selection table for flyback, forward, and isolated controller lets you add, remove, and configure parameters to display;. Analog devices max17690 isolated flyback controller is a peak current mode, fixed frequency switching controller specifically. This. Analog Devices Flyback Controller.
From kr.element14.com
MAX17690EVKITA Analog Devices NoOpto Isolated Flyback Controller Analog Devices Flyback Controller Analog devices’ portfolio of flyback and forward controllers provides a simple cost. Flyback, forward, and isolated controller. Analog devices max17690 isolated flyback controller is a peak current mode, fixed frequency switching controller specifically. This type of feedback path costs. The lt8316 is a micropower, high voltage flyback controller. Conventional flyback controller with feedback path based on an optocoupler. Analog devices'. Analog Devices Flyback Controller.
From www.analog.com
MAX17595 PeakCurrentMode Controllers for Flyback and Boost Regulators Analog Devices Flyback Controller This type of feedback path costs. Conventional flyback controller with feedback path based on an optocoupler. The device samples the output voltage from the isolated flyback waveform. The lt8316 is a micropower, high voltage flyback controller. Flyback, forward, and isolated controller. Analog devices’ portfolio of flyback and forward controllers provides a simple cost. Analog devices max17690 isolated flyback controller is. Analog Devices Flyback Controller.
From www.semanticscholar.org
Figure 1 from A primarysidecontrol quasiresonant flyback converter Analog Devices Flyback Controller Conventional flyback controller with feedback path based on an optocoupler. Analog devices’ portfolio of flyback and forward controllers provides a simple cost. Analog devices' selection table for flyback, forward, and isolated controller lets you add, remove, and configure parameters to display;. The device samples the output voltage from the isolated flyback waveform. This type of feedback path costs. Analog devices. Analog Devices Flyback Controller.
From www.analog.com
PD Controller ICs with Integrated Flyback or Forward Controllers Meet Analog Devices Flyback Controller Analog devices’ portfolio of flyback and forward controllers provides a simple cost. The lt8316 is a micropower, high voltage flyback controller. Conventional flyback controller with feedback path based on an optocoupler. Flyback, forward, and isolated controller. This type of feedback path costs. Analog devices' selection table for flyback, forward, and isolated controller lets you add, remove, and configure parameters to. Analog Devices Flyback Controller.
From www.analog.com
NoOpto Flyback DC/DC Converters & Snubber Protection Circuits Analog Analog Devices Flyback Controller This type of feedback path costs. Conventional flyback controller with feedback path based on an optocoupler. Analog devices max17690 isolated flyback controller is a peak current mode, fixed frequency switching controller specifically. Analog devices’ portfolio of flyback and forward controllers provides a simple cost. Analog devices' selection table for flyback, forward, and isolated controller lets you add, remove, and configure. Analog Devices Flyback Controller.
From www.powersystemsdesign.com
The First Fully Integrated Active Clamp Flyback Controller Analog Devices Flyback Controller Flyback, forward, and isolated controller. Analog devices max17690 isolated flyback controller is a peak current mode, fixed frequency switching controller specifically. Analog devices' selection table for flyback, forward, and isolated controller lets you add, remove, and configure parameters to display;. This type of feedback path costs. The device samples the output voltage from the isolated flyback waveform. The lt8316 is. Analog Devices Flyback Controller.
From www.rs-online.vn
Analog Devices LT3757IMSEPBF DCDC, Boost Controller, Flyback Analog Devices Flyback Controller Flyback, forward, and isolated controller. Analog devices max17690 isolated flyback controller is a peak current mode, fixed frequency switching controller specifically. Analog devices’ portfolio of flyback and forward controllers provides a simple cost. Conventional flyback controller with feedback path based on an optocoupler. The device samples the output voltage from the isolated flyback waveform. This type of feedback path costs.. Analog Devices Flyback Controller.
From kr.element14.com
DC2393A Analog Devices Demonstration Board, LT8304ES8EPBF, Flyback Analog Devices Flyback Controller The lt8316 is a micropower, high voltage flyback controller. Conventional flyback controller with feedback path based on an optocoupler. Flyback, forward, and isolated controller. Analog devices’ portfolio of flyback and forward controllers provides a simple cost. This type of feedback path costs. Analog devices' selection table for flyback, forward, and isolated controller lets you add, remove, and configure parameters to. Analog Devices Flyback Controller.
From www.analog.com
Design Note 410 Flyback Controller Simplifies Design of Low Input Analog Devices Flyback Controller Flyback, forward, and isolated controller. This type of feedback path costs. The lt8316 is a micropower, high voltage flyback controller. The device samples the output voltage from the isolated flyback waveform. Analog devices' selection table for flyback, forward, and isolated controller lets you add, remove, and configure parameters to display;. Conventional flyback controller with feedback path based on an optocoupler.. Analog Devices Flyback Controller.
From www.ti.com
UCC28780 Adaptive zero voltage switching activeclamp flyback Analog Devices Flyback Controller Flyback, forward, and isolated controller. Conventional flyback controller with feedback path based on an optocoupler. The device samples the output voltage from the isolated flyback waveform. Analog devices max17690 isolated flyback controller is a peak current mode, fixed frequency switching controller specifically. Analog devices' selection table for flyback, forward, and isolated controller lets you add, remove, and configure parameters to. Analog Devices Flyback Controller.
From rutronik-tec.com
Infineon 5th generation PWM controller Fixed frequency flyback Analog Devices Flyback Controller Analog devices’ portfolio of flyback and forward controllers provides a simple cost. The device samples the output voltage from the isolated flyback waveform. This type of feedback path costs. The lt8316 is a micropower, high voltage flyback controller. Analog devices max17690 isolated flyback controller is a peak current mode, fixed frequency switching controller specifically. Conventional flyback controller with feedback path. Analog Devices Flyback Controller.
From www.analog.com
The Elegance of a Flyback Controller Without a Dedicated Isolated Analog Devices Flyback Controller Analog devices' selection table for flyback, forward, and isolated controller lets you add, remove, and configure parameters to display;. Analog devices max17690 isolated flyback controller is a peak current mode, fixed frequency switching controller specifically. Flyback, forward, and isolated controller. The device samples the output voltage from the isolated flyback waveform. This type of feedback path costs. Conventional flyback controller. Analog Devices Flyback Controller.